
★★★★★★★
아이디어링 : First Mover. 퍼스트무버의 시대. 원격근무시대. 아이디어 회의 방법론 1편
https://kmong.com/gig/317273
원격근무시대. 아이디어 회의 방법론 1 드립니다. - 크몽
스몰미 전문가의 전자책 서비스를 만나보세요. <p>※서비스 설명</p><p><br></p><p><strong><u>언제까지 회의실에서 ...
kmong.com
몬스터피쉬 타일랜드 🎣🎣🎣
https://cafe.naver.com/monsterfishthailand
몬스터피쉬 타일랜드 : 네이버 카페
태국 파타야, 사타힙, 사메산, 라용 지역을 중심으로 한 낚시동호회 몬스터피쉬 입니다.
cafe.naver.com
정말 정확히 정리를 해줘서.... 감사 ^&^
국산 헬리콥터 착륙장치[Landing Gear]는 왜 바퀴로 되어있을까? [밀키트ep.27] | @kfnplus
국산 헬리콥터 착륙장치, 왜 바퀴로 되어있을까요?
| 질문 | 내용 |
| 주제 | 국산 헬리콥터 착륙장치 |
| 의문점 | 왜 바퀴로 되어있는가? |
| 출처 | YouTube 채널 @kfnplus, 밀키트ep.27 |
1. 헬리콥터 착륙장치(랜딩 기어)의 핵심 역할은 무엇일까요?

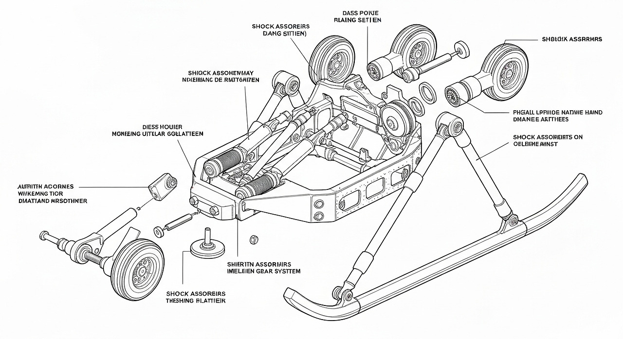
헬리콥터 착륙장치는 헬기가 땅에 안전하게 내릴 수 있도록 돕는 아주 중요한 부품이에요 . 마치 자동차의 서스펜션처럼, 헬기가 착륙할 때 생기는 강한 충격을 효과적으로 흡수해 준답니다 . 이 충격 흡수덕분에 헬기는 물론, 안에 타고 있는 사람들도 안전하게 지킬 수 있어요. 게다가 착륙장치에 달린 바퀴, 타이어, 브레이크덕분에 헬기가 땅 위에서도 자유롭게 움직이고 멈출 수 있어요 .
2. 전투기와 헬리콥터, 착륙장치가 다른 이유가 궁금해요!
| 분류 | 특징 | 이유 |
| 전투기 | 이륙 후 동체 안으로 랜딩 기어 인입 |
빠른 속도 때문에 공기 저항(항력)을 최소화하기 위함 |
| 헬리콥터 | 거의 대부분 랜딩 기어 인입 기능 없음 |
인입 기능 개발 시 개발비와 중량이 크게 증가하고 , 헬기의 속도가 전투기보다 느리기 때문 |
전투기와 헬리콥터는 착륙장치에서 큰 차이점이 있어요. 전투기는 이륙 후 랜딩 기어를 비행기 몸체 안으로 쏙 집어넣어요 . 왜냐하면 전투기는 엄청나게 빠르기 때문에, 랜딩 기어가 밖에 나와 있으면 공기 저항이 두 배 이상 커져서 속도에 방해가 되기 때문이죠 . 하지만 헬리콥터는 대부분 랜딩 기어를 안으로 넣는 기능이 없어요 . 이 기능을 넣으려면 개발비가 50% 이상 비싸지고, 무게도 20~30% 더 무거워지기 때문이에요 . 헬기는 전투기만큼 빠르지 않아서 굳이 이런 비싼 기능을 넣을 필요가 없다고 판단하는 경우가 많답니다 .
3. 헬리콥터 착륙장치에 숨겨진 '생명 보호' 기능이 있다고요?

전투기는 문제가 생기면 조종사가 사출 좌석으로 탈출할 수 있는 기능이 있어요 . 하지만 헬리콥터는 머리 위에서 로터(날개)가 계속 돌고 있어서 이런 탈출 기능이 거의 불가능해요 . 그래서 헬리콥터는 추락할 때 조종사와 승무원의 생명을 보호하는 데 집중합니다. 헬리콥터 착륙장치에는 '내추락 기능'이 있어서, 추락 시 발생하는 엄청난 에너지를 최대한 많이 흡수하도록 설계되었어요 . 착륙장치가 부러져 날아가거나 기체 안으로 들어와 승무원을 다치게 하지 않도록 세심하게 배려한답니다 . 이 내추락 기능은 착륙장치뿐만 아니라 헬기 동체에도 적용되어, 조종사의 안전을 보장하는 데 큰 역할을 해요 .
4. 헬리콥터가 땅에서 갑자기 파괴되는 것을 막는 비밀은?
-
Q1: 헬리콥터 '지상 공진'이 무엇인가요?
-
헬리콥터는 로터(날개)가 계속 회전해요. 만약 이 로터의 회전수와 기체나 착륙장치의 고유한 진동수가 일치하게 되면, 지상에서 헬기가 갑자기 심하게 흔들리거나 파괴될 수 있는 현상을 말해요 .
-
-
Q2: 착륙장치가 지상 공진을 어떻게 막아주나요?
-
헬리콥터 착륙장치는 이런 지상 공진을 방지하는 역할을 해요 . 개발 단계부터 헬기 로터의 공진을 피하도록 특별히 설계되어 있답니다 . 덕분에 헬기가 땅 위에서 갑자기 망가지는 위험을 크게 줄여줘요.
-
5. 바퀴 달린 착륙장치가 더 좋은 이유가 뭘까요?

헬리콥터 착륙장치는 크게 바퀴가 달린 '휠 타입'과 스키처럼 생긴 '스키 타입'으로 나눌 수 있어요. 이 둘의 가장 큰 차이점은 바로 '지상 운용 기능'이에요 . 휠 타입 착륙장치는 헬기가 활주로에서 스스로 이동할 수 있게 해주기 때문에, 수리온이나 LAH 같은 중형 헬기들이 주로 사용해요 . 게다가 충격을 흡수하는 능력 면에서도 휠 타입이 훨씬 유리해서 중대형 헬리콥터는 거의 대부분 휠 타입을 사용하고 있답니다 . 휠 타입은 활주 이륙이나 활주 착륙도 가능하게 해줘요 . 활주 이륙을 하면 수직으로 이륙할 때보다 더 많은 짐을 싣고 이륙할 수 있다는 장점이 있어요 .
6. 헬리콥터 착륙장치는 어떤 방식으로 충격을 흡수할까요?
-
헬리콥터 착륙장치는 주로 '트라이 사이클 타입'이라고 불리는데, 뒤쪽에 큰 바퀴두 개( 주륜)와 앞쪽에 작은 바퀴하나( 전륜)로 구성되어 있어요 .
-
착륙할 때는 보통 주륜이 먼저 땅에 닿아 충격을 흡수하고, 그 다음에 전륜이 땅에 닿는 순서로 이루어져요 .
-
때로는 주륜과 전륜이 동시에 땅에 닿는 경우도 있답니다 .
-
-
착륙 에너지를 흡수하는 데 가장 중요한 부분은 바로 '완충 장치'예요 .
-
완충 장치는 자동차의 쇼크 업소버와 매우 비슷한 기능을 해요 .
-
완충 장치안에는 유압류라는 액체가 들어있는데, 이 유압류가 아주 작은 구멍을 통해 움직이면서 착륙 시의 엄청난 충격을 흡수하고 에너지를 줄여준답니다 .
-
마치 주사기를 꽉 채운 상태에서 누르면 힘이 많이 드는 것처럼, 유압류가 압력을 받아 에너지를 줄이는 원리예요 .
-
7. 국산 헬리콥터 착륙장치, 미래에는 어떻게 발전할까요?
현재 국산 헬리콥터 착륙장치개발에는 국산화가 가장 큰 문제로 꼽히고 있어요 . 착륙장치설계에 필요한 작은 부품들이나 핵심 소재 대부분을 해외에서 수입하고 있기 때문이에요 . 항공 인증을 받은 부품이나 이미 다른 항공기에 사용된 제품만 써야 하므로, 이런 부품들은 거의 해외에서 구매하고 있답니다 . 2020년 코로나19 팬데믹 때는 항공 수요 감소로 해외 공급망이 붕괴되면서 부품 수급에 어려움이 많았어요 . 하지만 미래에는 착륙장치에 압력, 하중, 온도 등 다양한 센서를 달아서 조종사에게 더 많은 정보를 제공하고, 수리온 같은 헬기의 파생형 모델 개발에도 핵심 기술을 지원할 계획이랍니다 .
'공부하기 > military. warfare.' 카테고리의 다른 글
| 마하 6? 한국 미사일 기술, 이제 미중(美中)에 필적한다: 극초음속 하이코어 (0) | 2025.09.16 |
|---|---|
| 일본군이 기대했지만 결국 전세를 바꾸지 못한 무기 - 89식 중척탄통 (0) | 2025.09.15 |
| “중세 전장에 금지된 무기 쇠뇌! 기사도와 교황까지 무너뜨리다” (0) | 2025.09.10 |
| 전술을 바뀌라고 있는 것이다.전술은 바꿔쓰라고 만드는 것이다. (0) | 2025.08.31 |
| 드론에 샷건을 장착하는 최신 무장법 (0) | 2025.08.27 |
댓글